Summary
|
Bimetallic indication thermal resistance (thermocouple) is an integration temperature measurement instrument with on site indication and remote transmission display function.It can be used directly to measure the temperature of gasses、liquids and substances. The indication value can be read distinctly on site.And the signals can be transmitted to the control room.The transmitted signals include Pt 100,K type and E type thermal resistance signals,also the (4~20)mA standard signal after transmission. It plays a role as an instrument with two functions |
-
Type naming and representative significance
|

|
-
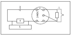
Wiring drawing of thermal resistance (thermocouple)(as fig.8)
|
|
Drawing of basic structure |

|
1:Thermal resistance (thermocouple)
2:Temperature conversion indicator
3:Power supply 24V DC
4:Load 250± 0.01%Ω resistance
5:Adjustable instrument or computer
|
|

|
|
Main technical parameters |
◇ Measuring range (℃):
WSSP:-80~40、-40~80、0~50、0~100、0~150、0~200、0~300、0~400、0~500;
WSSK:0~400、0~500;
WSSE:0~300、0~400、0~500;
◇ Accuracy class:
Bimetallic thermometer is of class 1.5;
Armoured platinum thermal resistance is of class B±(0.30+0.005│t│);
Armoured platinum thermocouple is of classⅡ ±2.5℃ or 0.75%│t│;
Basic error of transmitter±0.5%
◇ Insert length L1(mm):100;150;200;250;300;400;500;750
◇ Tail pipe diameter d(mm):18;20
◇Installation thread:M27×2; 3/4”;Flange
◇External protective pipe material:1Cr18Ni9Ti、316、316L、coated with polytetrafluoroethylene
◇ Insulation resistance at room temperature:Platinum thermal resistance≥100MΩ;
Thermocouple≥1000MΩ.m
◇ Thermal response time of platinum thermal resistance(thermocouple) ≤60s;
Time constant of bimetallic thermometer≤180s
|
|